中国政府网
湖南省政府网
怀化市政府网
网站支持IPv6
繁体
无障碍浏览
长者专区
设为首页
站群导航
县政府部门
县政府乡镇
县审计局
县人力资源和社会保...
县退役军人事务局
县信访局
县城市管理和综合执...
县医疗保障局
县商务局
县市场监督管理局
县卫生健康局
县应急管理局
县发展和改革局
县统计局
县文化旅游广电体育...
县水利局
县工业和信息化局
县农业农村局(乡村...
县林业局
县教育局
县住房和城乡建设局
县司法局
县财政局
县民政局
县交通运输局
县科学技术局
县自然资源局
县公安局
苏木溪瑶族乡
桥头溪乡
后塘瑶族乡
龙头庵乡
上蒲溪瑶族乡
仙人湾瑶族乡
火马冲镇
小龙门乡
龙泉岩乡
大水田乡
锦滨镇
田湾镇
船溪乡
孝坪镇
修溪镇
柿溪乡
谭家场乡
辰阳镇
罗子山瑶族乡
安坪镇
长田湾乡
潭湾镇
黄溪口镇
登录
|
注册
首 页
县政府
新闻中心
政务公开
解读回应
政府数据
互动交流
政务服务
走进辰溪
首页
>
新闻中心
>
通知公告
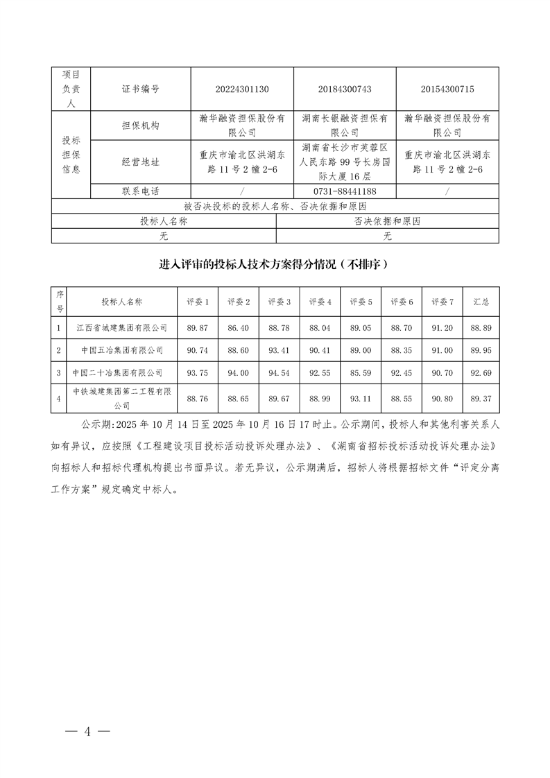
怀化国际陆港辰溪港化工矿石港区西片仓储物流中心建设项目EPC+0复评中标候选人公示
发布时间:2025-10-14 11:00
信息来源:辰溪产业开发区管理委员会
打印本页
关闭窗口
分享到
微信
智能问答